电路图
电路图学习线性放大555电路图信号产生稳压电路图开关电源电路电池电源电路综合电源电路传感器电路图消费电子电路遥控电路图音视频电路控制电路图电机控制电路DIY电路图光电电路图医疗安防电路图
-
AT89C2051制作的照明灯智能控制器
电路图
电路介绍 电路由电源电路、单片机电路、环境照度检测电路和控制输出电路等部分组成。 C1、VDl、VD2、C2、VD3等组成电容降压式稳压电源电路,输出5V的电压作为智能控制器电路的工作...
阅读更多 -
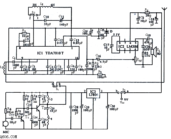
TDA7010TLM386调频对讲机电路与制作
电路图
IC1采用TDA7010T或TDA7050T,IC2采用LM386或BA5386,NJM386,IC3采用L7806,BG1选用9014;BG2选用D-40或9018。电容器除电解电容器及C11外均采用瓷片电容器,C11采用CBM-226D可变电容器,如用7/25pF微调...
阅读更多 -
2位LED显示单片机计算器
电路图
一、设计要求 1.设计4*4的键盘,其中10个数字键0~9,其余6个为“+” “-” “*”“/” “=”和“C” 2.设计2位LED接口电路 3.实现1位数的简单运算 二、硬件系统设计 1、LED接口电路 简...
阅读更多 -
LM1875构成的直流化电流负反馈BTL电路图
电路图
直流化电流负反馈BTL电路如图,取消标准BTL电路中的C12、C22,使电路直流化;电阻R16与R26是取样电阻,电流反馈信号经R15、R16、R25、R26分别进入放大器A1、A2的反相输入端,R13、R14、R1...
阅读更多 -
数字钟整点报时电路图
电路图
有不少场合,如车站候车室、浴室、写字楼、医院等公共场合,一般设置的数字钟都无声光报时功能,这给旅客、顾客或病员等会带来不便。本整点报时电路在整点时能准确地进行声、...
阅读更多 -
LM1875制作的直流化电流负反馈OCL电路图
电路图
如图所示的是LM1875制作的直流化电流负反馈OCL电路,电路直流化并改为电流反馈后,频响拓宽,低音力度明显增强,高频解析力增加,中音质感增强,音质较标准电路提高很多,使入久...
阅读更多 -
自制USB接口台灯
电路图
电路及工作原理: USB台灯电路图如下图所示.为避免可能的电磁辐射,电路的电源采用电容限流,再送到整流电路,给出控制电路所需的5V直流工作电压。在电脑关断不用时.即使控制电路...
阅读更多 -
双色互补交替显示流水彩灯电路图
电路图
如图所示的双色互补交替显示音乐流水彩灯能跟随音乐节奏交替互补追逐发光,每组彩灯发光顺序为:2、3→3、4→4、5→5、2→2、3……产生很好的光色动感效果。 电路原理:电路中I...
阅读更多 -
摄相机镍镉电池放电电路图
电路图
摄相机镍镉电池放电器电路如图所示,按动AN后,J1吸合,由于此时电池端电压较高,所以经R1、W1分压后注入VT1基极的电位也较高,VT1导通,VT2也导通,J1吸合自保。电池主要经过IC1、...
阅读更多 -
自控变色语音广告灯箱电路图
电路图
如图所示的是一种自控变色语音广告灯箱电路。其能自动启动,自动停止。 电路原理:此灯箱电路包括电源电路、光控电路、定时电路、语音电路及灯光变幻电路。 语音电路由IC3、V...
阅读更多
点击排行
多功能吊扇遥控调速电路
