您现在的位置是:首页 > 电路图 > 遥控电路图 > 遥控电路图
LS-2构成直射式红外遥控开关电路图
转载来源:电子技术应用-AET chinaaet.com 电子发烧友 elecfans.com2022-11-22
简介LS-2红外感应式遥控开关模块同LS-18基本相同,除可作为反射使用外,也可直射使用。 LS-2外形引脚图 LS-2内部原理框图电气参数 LS-2遥控开关模块工作电压4~6V(DC),典型值为5V;工作电流
LS-2红外感应式遥控开关模块同LS-18基本相同,除可作为反射使用外,也可直射使用。
LS-2外形引脚图
LS-2内部原理框图 电气参数 LS-2遥控开关模块工作电压4~6V(DC),典型值为5V;工作电流为2~4mA;控制输出端(L1、L2)输出电压4~6V;输入、输出电流50mA,反射部分功耗小于1.5mA;反射驱动能力 Ip-p大于50mA;作为反射使用时,反射距离为4~100cm,对应外接限流电阻阻值为510Ω~ lkΩ;作为直射使用时,最大遥控距离可达8m。 如下图所示为LS-2基本应用电路:
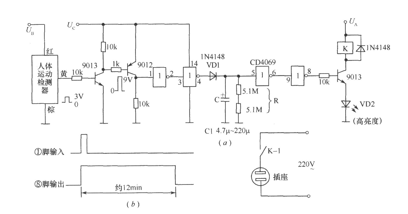
其中调整限流电阻R,可改变反射距离。当R=510Ω时,反射距离为4~10cm;R=1Ω时反射距离可达1m。使用时应注意: 红外反射/接收对管PH303/PH302当中必须要有一只的引脚上加装套管,以避免自感现象。输出控制端Ll、k可接4~6V继电器,也可接灯泡,当然也可接其它控制电路。 下图为采用了两只LS-2模块组成直射式红外遥控开关发射/接收电路: 
此电路遥控距离可达5~8m。
点击排行
多功能吊扇遥控调速电路
