电路图
电路图学习线性放大555电路图信号产生稳压电路图开关电源电路电池电源电路综合电源电路传感器电路图消费电子电路遥控电路图音视频电路控制电路图电机控制电路DIY电路图光电电路图医疗安防电路图
-
采用电荷泵的驱动电路图
电路图
实际应用中可以利用电荷泵对高端VMOS管进行控制l6 J,如图所示。这种电路的缺点是很难对上管使用PWM进行精确控制,比较适合对上管进行常开或常关的控制,并且需要额外的振荡源,...
阅读更多 -
用复合管巧测小容量电容器
电路图
用复合管巧测小容量电容器...
阅读更多 -
晶体二极管的分类大全
一、根据构造分类 半导体二极管主要是依靠PN结而工作的。与PN结不可分割的点接触型和肖特基型,也被列入一般的二极管的范围内。包括这两种型号在内,根据PN结构造面的特点,把晶...
阅读更多 -
cd4518引脚图管脚功能表和真值表
电路图
CD4518是常用的二/十进制同步加计数器芯片, 其功能在数字电路中实现某些逻辑功能。下面介绍他的管脚图,功能表等资料,见下图....
阅读更多 -
继电器符号与选用
电路图
继电器的电符号和触点形式 继电器线圈在电路中用一个长方框符号表示,如果继电器有两个线圈,就画两个并列的长方框。同时在长方框内或长方框旁标上继电器的文字符号“J”。继...
阅读更多 -
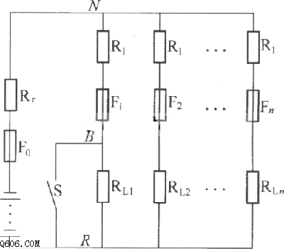
高阻配电电路图
电路图
如图所示为高阻配电电路。它与低阻配电的显著区别是在各分路负载中串接一定阻值的限流电阻R1,一般取值为电池内阻的5倍~l0倍。这时如果某一分路发生短路,则系统电压跌落及反...
阅读更多 -
什么是PWM
脉冲宽度调制(PWM)是英文“Pulse Width Modulation”的缩写,简称脉宽调制。它是利用微处理器的数字输出来对模拟电路进行控制的一种非常有效的技术,广泛应用于测量,通信,功率控制...
阅读更多 -
IGBT管的万用表检测方法
IGBT 管的好坏可用指针万用表的 Rxlk 挡来检测,或用数字万用表的“二极管”挡来测量 PN 结正向压降进行判断。检测前先将 IGBT 管三只引脚短路放电,避免影响检测的准确度;然后用指...
阅读更多 -
变压器的基本知识
变压器几乎在所有的电子产品中都要用到,它原理简单但根据不同的使用场合(不同的用途)变压器的绕制工艺会有所不同的要求。变压器的功能主要有:电压变换;阻抗变换;隔离;稳...
阅读更多 -
选购DVD机的正确方法
1、基本功能齐全 DVD播放机功能很多,多种语言、多种字幕、多种模式切换.多种角度欣赏等等。一般DVD都能实现播放,区别只在于遥控设计的人性化程度带来的操作便利性不同。不同...
阅读更多
点击排行
多功能吊扇遥控调速电路
