相信给位工程师都能够根据电路图来准确、快速的完成电路板的焊接。但是在很多实际情况中,摆在工程师面前的问题恰恰相反。通常需要根据实物描绘出产品的电路原理图,如果是小...
阅读更多临时电气线路(临时架设的低压配电室出线端至用电场所动力、照明箱柜之间的电气线路) 1、临时用电需经审查批准,使用前要进行安全交底,使用现场要配备消防设备并安排专人现...
阅读更多
脉冲式触点指令的应用如图所示。 图脉冲式触点指令的应用示例 ①LDP、ANDP和ORP指令是用来做上升沿检测的触点指令,触点的中间有一个向上的箭头,对应的触点仅在指定位元件的上升...
阅读更多1. 液压操动机构的分类。 按储能方式,可分为非储能式和储能式两种。一般非储能式用于隔离开关,储能式用于35kV及以上的少油断路器和110kV及以上的单压式SF6断路器。按液压作用方向...
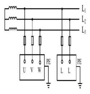
阅读更多1、三相负荷平衡是供电安全的基础。三相负荷不平衡,轻则降低线路和厂变的供电效率,重则会因负荷超载过多,导致某相导线烧断、开关烧坏甚至厂变单相烧毁等严重后果。 2、三相...
阅读更多
生产过程中有大量连续变化的模拟量需要用plc来测量或控制。有的是非电量(如温度、压力、流量、液位、物体的成分和频率等);有的是强电电量(如发电机和电动机组的电流、电压...
阅读更多
目前断路器在正常使用期间,维护量很少,尤其是SF6断路器、真空断路器等,基本上属于免维护型,本体和液压机构不解体。但现场还是需要按《规程》定期维护。每5年进行操作试验就...
阅读更多
IT系统就是电源中性点不接地,用电设备外露可导电部分直接接地的系统。IT系统可以有中性线,但IEC强烈建议不设置中性线。因为如果设置中性线,在IT系统中N线任何一点发生接地故障...
阅读更多在使用模拟量输入模块时,根据测量方法的不同,可以将电压、电流传感器或电阻器等不同类型的传感器连接到模拟量输入模块。 为了减少电子干扰,对于模拟信号应使用屏蔽双绞线电...
阅读更多测量绝缘电阻能够发现油断路器的绝缘杆受潮、电弧烧伤和绝缘裂缝等缺陷。同时,还要测量分闸状态下,各断口间的绝缘电阻,主要检查断路器内部消弧装置是否受潮、烧伤等。 在断...
阅读更多
室内风扇电机和霍尔元件的检测